政府信息公开

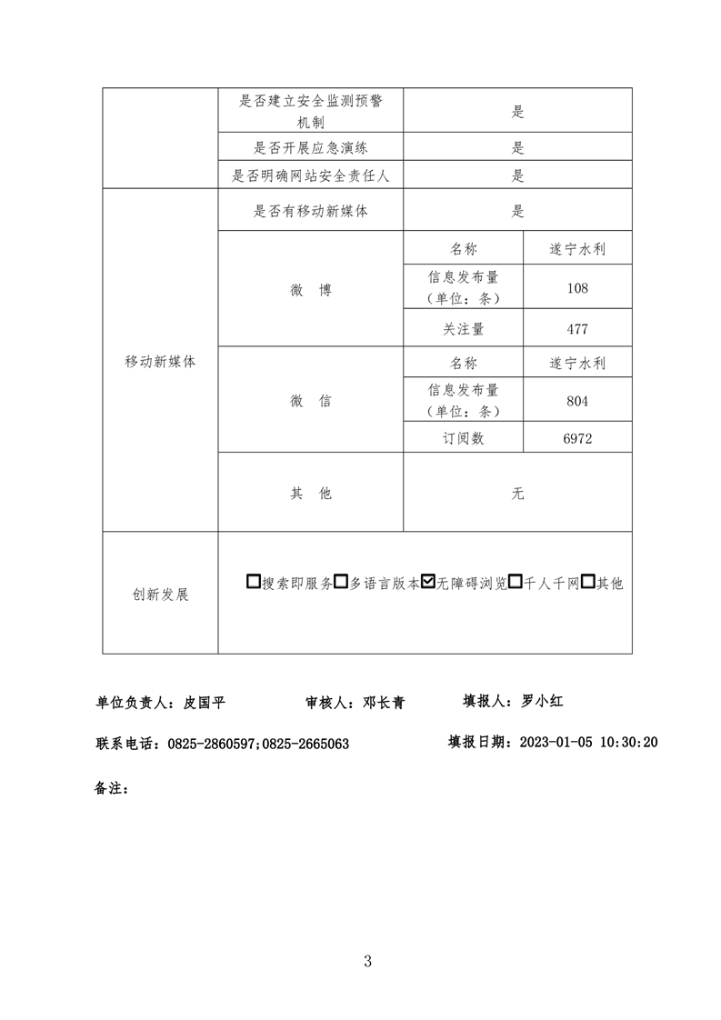
遂宁市水利局政府网站工作年度报表(2022年)

来源:遂宁市水利局 发布时间:2023-01-05 11:30 浏览次数: 字体: [ ] 收藏 打印



扫一扫在手机打开当前页
Baidu
map